Categories+
Online Catalogue | Shop By Brand | Westomatic | SOLO | Brewer Housing Assembly
BREWER CROSSHEAD Ref: VP9386
More...
Quantity:
BREWER CYLINDER Ref: VP9395
Please select next action
Go back orGo to wish list
_NAME_
Home
About Us
T&C
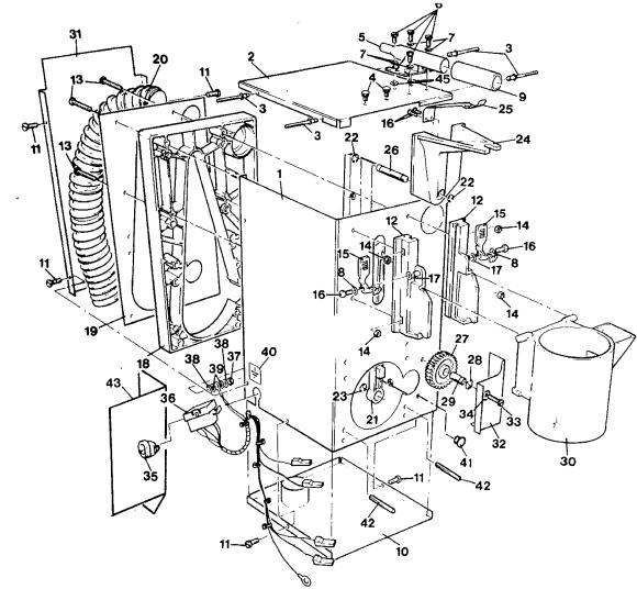
KEY NECTA NUMBER AE045C 957733
£10.20 / €11.63
VALVE MEMBRANE SEAL
£4.20 / €4.79
IMPELLOR / MPN - PL01970000, PL01970000
£0.90 / €1.03
2. COUPLING - SPIRAL / MPN -1477113
£3.54 / €4.04
WHIPPER MOTOR 24V C/W FIXING PLATE1300RPM / MPN - M010991000
£29.94 / €34.13
Microcoin SP115 COIN VALIDATOR Standard faceplate
£119.94 / €136.73
Microcoin SP155 COIN VALIDATOR Illuminated faceplate
£131.94 / €150.41
Microcoin CX Coin Changer
£359.94 / €410.33
HARNESS 6 MOTOR MELODIA / MPN - 255686
£54.60 / €62.24
VITRO S1 LOWER FRONT MOULDING / MPN - 42933691
£47.40 / €54.04